什么是双联开关,如何进行双联开关接线
首先如果是需要一个双联开关控制的,那么就要选择一个好一些的双联开关,还有就是自己平时要注意到的各种方面,当然像是自己平时可以考虑的地方还是很多的,需要自己去注意到这些细节,尤其是双联开关接线图。
什么是双联开关

现在的开关都是为了方便实用的,双联开关就是为了让大家可以在不同的地方控制灯泡,控制灯泡的亮度还有就是开和关,一般的像是卧室的开关,很多人喜欢设计双联开关在床头以及门口的位置,这样关灯就方便了,也是比较便利的作用。
如何进行双联开关接线

双联开关的分类还是比较多的,像是在品牌上就有很多,还有就是质量上材质上的分类,当然还有就是样式上,所以在选择的时候需要注意的地方还是很多的,当然由于自己平时喜欢在网上搜索信息,可以去了解一下。

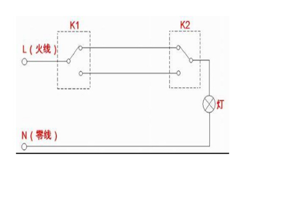
要想接好双联开关,就一定要知道双联开关的原理,这样才能够成功完成接线工作,其实这种双联开关很好接的,而且原理也很简单,就是一个并联电路,要注意线子不要弄混了,两个开关都同时接在一条主线路上,这就是双联开关的原理。

单联双联开关也是现在接连双联开关的一种方式,自己平时可以注意到的有很多,不过自己平时一定要多注意注意,因为很多人会选择这种方式的单联双联接线图,是平时很多人很喜欢的一个方式,所以要会的。
双联开关也是比较常见的一种,当然自己平时也是可以多注意到这些常见的双联开关接线图,网上会有这些图样,但是需要自己去根据自己的结构做一些调整,这样才会更加适合自己的设计,让开关正常的使用。

其实对于在接线的时候如果是要设置双联开关是需要双联开关接线图的,这样可以帮助接线的时候顺利进行,所以大家一般都是比较喜欢利用图纸然后按照上面的进行接线工作,这样也是最简单的一个方法了。
免责声明:凡注明稿件来源的内容均为转载稿或由企业用户注册发布,本网转载出于传递更多信息的目的;如转载稿和图片涉及版权问题,请作者联系我们删除,同时对于用户评论等信息,本网并不意味着赞同其观点或证实其内容的真实性。




